簡易型実験用IOボード  
2010/02/12

ここでは、マイコンプログラム学習用の簡単な実験用IOボードをご紹介しましょう。AKI-H8/3052Fマザーボードでは、外部との信号の受け渡しの際に基板用10ピンコネクタを利用するように決めました。10ピンコネクタにはデータ8BIT分とDC+5VとGNDをセットで乗せて、ピン番号も統一しました。今回ご紹介する簡易型実験用IOボードもその約束にしたがって作っています。

1.簡易型実験用IOボードの外観

下の写真が製作した簡易型実験用IOボードの外観です。ユニバーサル基板はAKI-H8/3052Fマザーボードと同じサンハヤトSW-295を使っています。今回は以下の5ブロック分のIO回路を実装しています。

  [1] LED点灯部
[2] SW入力部
[3] A/D用入力部
[4] SERVO用出力部
[5] LCD表示器部

左から基板の部品面と配線面です。一番右の写真はLCD表示器をつないだときの写真です。

それぞれの黒い角型のコネクタをAKI-H8/3052Fマイコンボードの同じ黒い角型のコネクタと接続します。接続には両端ともコネクタ圧接したフラットケーブルを使います。15cm〜20cm程度の長さが使いやすいです。TekuRoboの場合は秋葉原のパーツ屋さんで作ってもらいました。圧接のしかたとしてコの字型とZ字型があります。コの字型は横並びの基板同士をつなげやすく、Z字型は上下に重なりあった基板同士をつなぐときなどに有利です。




2.簡易型実験用ボードの回路

回路というほどの回路はなく、各電気部品をコネクタに立ち上げている程度ですが、せっかくなのでご紹介しましょう。



2−1.LED点灯部



8BITのLEDを点灯させるためのブロックです。LEDの点灯にはインバータの標準ロジックICである7404をLEDの駆動用として利用しています。オープンコレクタのトランジスタアレイでも結構です。AKI-H8/3052Fマザーボードでご紹介したLED点灯用の回路では、PIOのPort1の出力を電源として直接LEDを駆動する方法をご紹介しました。しかしPIOのPort1はLEDを直接駆動できる機能を持っているため可能でしたが、全てのPIOのPortが直接LEDを駆動できるだけの電流容量を持っているわけではありません。今回、このような駆動用回路を設けることによって、直接LEDを駆動する能力のないPIOのPortからでも、LEDを点灯させることが出来るようになります。

・LED CNコネクタの入力から「0」(GND)が入力されると、インバータの出力は「1」(+5V)になり、LEDは点灯しません。
・LED CNコネクタの入力から「1」(+5V)が入力されると、インバータの出力は「0」(GND)になり、LEDは点灯します。

つまり、AKI-H8/3052Fマザーボードでご紹介したのと同じように、プログラムで「1」にすれば点灯し、「0」にすれば消灯するという自然な動きとなります。



2−2.SW入力部



AKI-H8/3052Fマザーボードに対して8BITのスイッチ情報を入力するためのブロックです。全てのBITに対して10KΩの抵抗でプルアップしています。



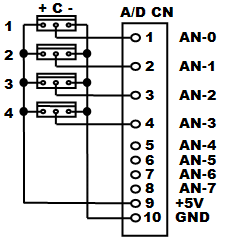
2−3.A/D用入力部



AKI-H8/3052Fマザーボードに対してA/D変換用アナログ電圧を入力するためのブロックです。「+ C -」のコネクタにポテンショメータを接続してあげると、+5V〜0Vの間の電圧値として、ポテンショメータの回転角(ボリュームの位置)が検出できます。AKI-H8/3052Fでは、A/D入力機能はPIOのPort7と共用になっています。本当はAN0〜AN7の8チャンネル分の入力がありますが、今回はスペースの関係から4チャンネルだけを立ち上げています。



2−4.SERVO用入力部



ラジコン用サーボモータをPWM制御によって動かすためのブロックです。使用するラジコン用サーボに必要な電源を外部から供給してあげるためのコネクタを設けています。AKI-H8/3052Fマイコンボードからは、PWM信号を5チャンネルまで出力することができますが、今回はPIOのPortAと共用のTIOCA-0〜1の3チャンネル分を、コネクタ2〜4に立ち上げました。なので、ラジコン用サーボの実験を行うときには、AKI-H8/3052FマザーボードのPortAと接続します。コネクタ1はおまけで、SERVO CNの1番ピンに立ち上げています。



2−5.LCD表示器部



液晶LCD表示器SC1602BSLBを接続するための回路です。秋月純正の開発キットと同じ配線なので、4BITモードで動作させます。

回路的には目新しいことはなく非常に簡単です。しかし、ひとつ作っておくとユニバーサル基板で周辺ボードを作った場合のハードウェアチェックや、マイコン周辺のシミュレーションを行うための冶具として便利です。

先頭に戻る

 

【表紙に戻る】