2001/10/02 【電子回路編TOPに戻る】
今回は、AKI-H8を搭載するための小型マザーボードを製作しましたのでご紹介します。秋月純正の開発ボードは学習用途が中心の実験用マザーという色が強く、実際にロボットなどに搭載するには少しサイズが大きすぎでした。今回製作したマザーボードは、CPUの主要な機能やポートを外部に取り出すための簡単な基板ですが、AKI-H8よりひと回り大きなだけなので、ロボットへの組み込みには便利です。
6−1.小型マザー外観
下の写真が、今回製作した小型マザーです。真中に乗っているのがAKI-H8基板です。AKI-H8よりひと回り大きなユニバーサル基板(サンハヤト293G)を使い、周囲にスイッチやコネクタ類を並べています。各ポート類は個別に10ピンのコネクタに分けてみました。スペースの関係上コネクタに出せなかったポートもありますが、主要な部分はだいたいサポートしています。
![]() |
|
以下がAKI-H8を搭載していない写真と、半田面の写真です。
![]() |
![]() |
6−2.小型マザーボードの回路
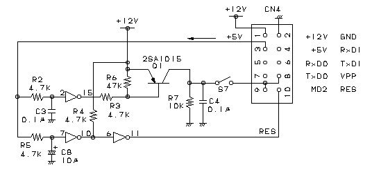
回路といっても、新たな回路と呼べるものはひとつもありません。秋月純正の開発ボードと同じ書き込み回路を持ち、動作を設定するためのディップスイッチと、簡単なモニタ用の8ビットLEDも、開発ボード側に付けてあった回路と一緒です。あとは各ポートを10ピンコネクタに立ち上げているだけです。強いて言えば、DC5V用の3端子レギュレータを個別に追加し、AKI-H8基板側の5Vレギュレータの負担を軽くしているくらいです。でも、せっかくなので各部の回路について簡単にご紹介しておきます。
DC12V出力を、更にDC5Vまで落として専用の5V出力を得ます。それ以外は秋月純正と一緒です。

秋月純正と一緒です。リセットタイミング発生用のDC5V電源は、AKI-H8ボードの5V出力から取っています。

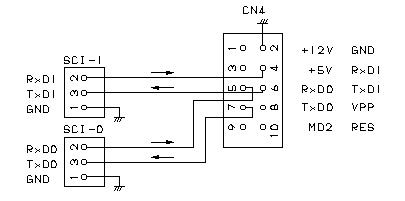
大きなDsubコネクタを使うと基板のスペースがもったいないため、小さな3ピンのコネクタを使用します。SCI1はフラッシュ書き込み用で、SCI0はその他プログラム上で自由に使用できます。

パソコンのリシアルポートと接続する時には、以下のような通信ケーブルを製作する必要があります。

IRQは本当はIRQ5までありますが、コネクタの関係からIRQ3までにしています。外部からの割り込みを受け付けるためのポートです。IRQはポート8のPIOと兼用です。回路的にプルアップしてしまったため、PIOとして利用するなら入力ポートが良いでしょう。

最も優先度の高い割り込み処理を発生させるためのポートです。今回のようにスイッチを付けておくと、モニターデバッガで動作させるときのアボートスイッチとして利用できます。

CPUボード上には、色々な動作の設定をさせるためにディップスイッチを設けておくと便利です。純正開発ボードと同じく、ポート2をディップスイッチにつなげます。

CPUボード上には、簡単に動作状態を表示させることができるLEDを設けておくと、動作の監視やデバッグ時などに便利です。これも開発ボードに自前で取り付けたのと同じポート1を使っておきます。

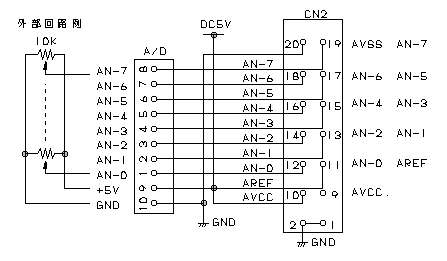
A/D変換は、ポテンショメータやセンサなどのアナログ値を取り込む場合に使います。AREF/ACCなどは、ほんとうは外部に出して自由に電圧設定できるようにするのが良いのでしょうが、今回は5Vに固定にしてしまいました。例えば外部にポテンショメータを繋げる場合は、以下の外部回路例のようにします。なお、A/D入力ポートは、PIOのポート7と端子を兼用しているため、PIOとしても利用できます。

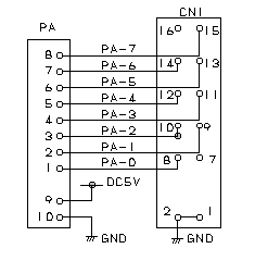
事例として、ポートAの接続を例にご紹介します。0〜7の各ポートをコネクタに立ち上げているだけですが、同じコネクタにはGNDのほかに+5Vの電源も一緒に載せておきます。そうすれば、CPUボードに接続する外部回路に対して、信号線と同時に電源の供給もおこなうことができます。

今回のマザーボードでは、以下のPIOポートをコネクタに立ち上げていますので、端子兼用の機能は、そのまま利用できることになります。
■ポート3
■ポート4
■ポート6(ただし0〜6ビット)
■ポートA
■ポートB
6−3.立ち上げている端子一覧
最後に、AKI-H8の端子で、使用している端子と、未使用の一覧を示します。一覧のなかで緑の端子は使用しているもので、灰色の端子は未使用のものです。
CN1(コネクタ1)
|
No. |
ピンファンクション |
No. |
ピンファンクション |
| 1 | GND | 2 | GND |
| 3 | P8-0/RFSH/IRQ0 | 4 | P8-1/CS-3/IRQ1 |
| 5 | P8-2/CS2/IRQ2 | 6 | P8-3/CS-1/IRQ3 |
| 7 | P8-4/CS0 | 8 | PA-0/TP-0/TEND0/TCLK-A |
| 9 | PA-1/TP-1/TEND1/TCLK-B | 10 | PA-2/TP-2/TIOCA-0/TCLK-C |
| 11 | PA-3/TP-3/TIOCB-0/TCLK-D | 12 | PA-4/TP-4/TIOCA-1/A23/CS-6 |
| 13 | PA-5/TP-5/TIOCB-1/A22/CS-5 | 14 | PA-6/TP-6/TIOCA-2/A21/CS-4 |
| 15 | PA-7/TP-7/TIOCB-2/A20 | 16 | PB-0/TIOCA-3/TP-8 |
| 17 | PB-1/TIOCB-3/TP-9 | 18 | PB-2/TIOCA-4/TP-10 |
| 19 | PB-3/TIOCB-4/TP-11 | 20 | PB-4/TOCXA-4/TP-12 |
| 21 | PB-5/TOCXB-4/TP-13 | 22 | PB-6/DREQ-0/TP-14/CS-7 |
| 23 | PB-7/DREQ-1/TP-15/ADTRG | 24 | VPP |
| 25 | P9-0/TxD0 | 26 | P9-1/TxD1 |
| 27 | P9-2/RxD0 | 28 | P9-3/RxD1 |
| 29 | P9-4/IRQ4/SCK0 | 30 | P9-5/IRQ5/SCK1 |
| 31 | P4-0/D0 | 32 | P4-1/D1 |
| 33 | P4-2/D2 | 34 | P4-3/D3 |
| 35 | +5V OUT | 36 | +5V OUT |
| 37 | GND | 38 | GND |
| 39 | +12V IN | 40 | +12V IN |
CN2(コネクタ2)
| No. | ピンファンクション | No. | ピンファンクション |
| 1 | GND | 2 | GND |
| 3 | STBY | 4 | RES |
| 5 | NMI | 6 | P6-3/AS |
| 7 | P6-4/RD | 8 | P6-5/HWR |
| 9 | P6-6/LWR | 10 | A-VCC |
| 11 | A-REF | 12 | P7-0/AN-0 |
| 13 | P7-1/AN-1 | 14 | P7-2/AN-2 |
| 15 | P7-3/AN-3 | 16 | P7-4/AN-4 |
| 17 | P7-5/AN-5 | 18 | P7-6/AN-6/DA-0 |
| 19 | P7-7/AN-7/DA-1 | 20 | A-VSS |
CN3(コネクタ3)
| No. | ピンファンクション | No. | ピンファンクション |
| 1 | GND | 2 | GND |
| 3 | P4-4/D4 | 4 | P4-5/D5 |
| 5 | P4-6/D6 | 6 | P4-7/D7 |
| 7 | P3-0/D8 | 8 | P3-1/D9 |
| 9 | P3-2/D10 | 10 | P3-3/D11 |
| 11 | P3-4/D12 | 12 | P3-5/D13 |
| 13 | P3-6/D14 | 14 | P3-7/D15 |
| 15 | P1-0/A0 | 16 | P1-1/A1 |
| 17 | P1-2/A2 | 18 | P1-3/A3 |
| 19 | P1-4/A4 | 20 | P1-5/A5 |
| 21 | P1-6/A6 | 22 | P1-7/A7 |
| 23 | P2-0/A8 | 24 | P2-1/A9 |
| 25 | P2-2/A10 | 26 | P2-3/A11 |
| 27 | P2-4/A12 | 28 | P2-5/A13 |
| 29 | P2-6/A14 | 30 | P2-7/A15 |
| 31 | P5-0/A16 | 32 | P5-1/A17 |
| 33 | P5-2/A18 | 34 | P5-3/A19 |
| 35 | P6-0/WAIT | 36 | P6-1/BREQ |
| 37 | P6-2/BACK | 38 | CK |
| 39 | GND | 40 | GND |
CN4(コネクタ4)
| No. | ピンファンクション | No. | ピンファンクション |
| 1 | +12V IN | 2 | GND |
| 3 | +5V OUT | 4 | RxD1 |
| 5 | RxD0 | 6 | TxD1 |
| 7 | RxD1 | 8 | VPP |
| 9 | MD2 | 10 | RES |
今回ご紹介したマザーボードは、AKI-H8の端子を外部コネクタに立ち上げただけなので、色々と動作させるためには、用途に応じて外部回路を組む必要があります。
外部回路のユニバーサル基板も今回のマザーボードと同じものを利用すれば、スペーサによって2階建て、3階建てに重ねることができるので、収まりがよくなります。
今後もこのシリーズで、少しずつ外部回路を増やしていくことにしましょう。