14.PCD4511パルスモータ制御テストボード(ユニポーラ)
2003/09/28 【電子回路編TOPに戻る】
今回はパルスモータ(ステッピングモータ)の制御用LSIを使ったテスト基板をご紹介しましょう。ステッピングモータは複数の励磁コイルに特定のタイミングでパルス信号を与えることで正確な回転を行います。その際に与えるパルス信号をメインとなるCPUから発生させていたのでは負担が大きくなり、同時にきめ細かな加減速制御などを行うのも大変になります。
ここでは、CPUから簡単なパラメータを書き込んであげるだけで、専用のLSIがステッピングモータの制御を行ってくれるテスト基板を製作しましたので、そのハードウエアについてご紹介します。
14−1.テスト基板の概要
下の写真が今回製作した基板です。
|
部品面
|
ハンダ面
|
|
回路上では、以下の2つのデバイスが大きな役割を果たします。
■1.パルスコントロールLSI PCD4511
CPUから基本的なパラメータを与えることによって、ステッピングモータの制御をしてくれるデバイスです。ハンダ面の中央右側にある正方形のパッケージがそれです。
■2.ユニポーラ型ステッピングモータドライバIC SLA7024M
PCD4511からのパルス信号を受けて、ユニポーラ型のステッピングモータを駆動するためのICです。部品面の背が高いパワーICがそれです。
部品面の写真左側にある10ピンコネクタ2個を外部CPUと接続してパラメータを書き込み、モータドライバICの右側にあるコネクタ(写真では見づらいですが)でステッピングモータと接続を行います。
では、これから各デバイスについて簡単にご紹介しましょう。
※この基板については、101.EAGLEによる両面基板の設計のページで回路設計からパターン設計までを、103.実録 両面プリント基板の製作のページで実際の基板製作の様子をご紹介していますので、是非ご覧下さい。
14−2.パルスコントロールLSI PCD4511
![]() |
写真はステッピングモータ制御用のLSIで、日本パルスモータ製PCD4511です。QFP表面実装パッケージの44ピン、価格は1,600円です。このLSIは速度や回転ステップ数、加減速などに関する基本的なパラメータを書き込むだけで、簡単にステッピングモータを制御してくれる機能を持ちます。また、外部に設けるリミットスイッチや原点用スイッチなどを取り込んで強制的に停止させるなどの機能も持ちます。 |
では、具体的にどのような制御を行ってくれるのでしょうか。
■CPUからのパラメータ設定動作
以下のグラフはCPUからのパラメータ書き込みによって行う代表的な動作の様子です。

上のグラフは縦軸に回転速度[pps](1秒間あたりに与えるパルスの数)と、横軸に時間の経過を示しています。また横軸は、モータに与えるパルス数を示す意味もあります。ステッピングモータの挙動は以下の通りになります。
1.初速度R1でR6のパルス数だけアイドリング運転を行う。
2.その後、R3の期間でR2の回転速度までS字(2次曲線)加速を行う。
3.R2の回転速度に到達したらスローダウンポイントまで等速回転を行う。
4.総回転パルス数R0から減速開始のパルス数R5を引いた点から減速を開始する。
5.減速も加速と同じR3の期間でS字減速を行い、R1の初速度まで減速する。
6.総回転パルス数に達したら、ステッピングモータを停止させる。
さて、上記に出てきたR0からR6というのが、CPUからPCD4511に与えるパラメータに相当します。上記にはR4が出てきませんが、これは回転速度を設定する際の倍率を決めるパラメータとして存在しています。
それぞれのパラメータは、PCD4511内で専用のレジスタに割り当てられており、それぞれに書き込む数値については一定の計算式や約束事があります。詳しいパラメータ設定の方法についてはユーザーズマニュアルか、115.PCD4511でステッピングモータ制御のページを参照して頂くとして、今回はこの程度とさせて頂きます。
PCD4511では様々な動作モードが準備されており、上記はその中の「プリセットS字加減速動作」ということになります。この他、直線加減速や、一定速動作などもあります。
■外部要因によるハードウエアトリガ動作
CPUからではなく、外部からの接点情報などを元に動作させるインターフェイスには、以下のようなものがあります。
| ピン番 | 端子名 | 説明 |
| 25 | STA |
STA端子がソフト的に有効になっている場合、モータはSTA端子がLOWに落ちるまで回転を開始しません。 |
| 26 | STP |
STP端子がLOWに落ちると、モータは強制的に即停止します。
|
| 14,13 | +EL,-EL |
+EL端子、-EL端子には機械的な可動範囲の限界点に設ける、リミットスイッチからの接点情報を接続します。いずれかの端子がLOWに落ちると、モータは強制的に即停止します。 |
| 12,11 | +SD,-SD |
この端子がソフト的に有効になっている場合、端子がLOWに落ちると減速を開始します。これは原点に戻るちょっと手前から減速を開始し、正確に原点で停止させるために利用します。 |
| 15 | ORG |
ソフト的に現在位置を把握するため、機械的な定位置(原点)にいるときに接点信号を供給します。ORG端子がLOWに落ちると即停止しますが、正確に停止させるため+SD,-SD端子と合わせて減速停止させることができます。 |
上記の端子を使えば、外的要因による安全設計や、現在位置の正確な把握などが可能となります。
■PCD4511端子一覧
以下にPCD4511の端子と機能概要の一覧を示します。(ユーザーズマニュアルより)
| 端子番号 |
端子名 |
入出力 | 機能説明 |
| 1〜5 | D0〜D4 | 入出力 | データバス信号 |
| 6,10,20,28,35 | GND | 0V,GND | |
| 7〜9 | D5〜D7 | 入出力 | データバス信号 |
| 11 | -SD | 入力 | (−)減速スイッチ信号 内部プルアップ |
| 12 | +SD | 入力 | (+)減速スイッチ信号 内部プルアップ |
| 13 | -EL | 入力 | (−)エンドリミットスイッチ信号 内部プルアップ |
| 14 | +EL | 入力 | (+)エンドリミットスイッチ信号 内部プルアップ |
| 15 | ORG | 入力 | 原点スイッチ信号 内部プルアップ |
| 16 | -PO | 出力 | (−)パルス |
| 17,23,24,39 | VDD | +5V±10% | |
| 18 | +PO | 出力 | (+)パルス |
| 19 | BSY | 出力 | 動作中信号 |
| 21,22 | NC | 出力 | テスト用信号(通常未使用) |
| 25 | STA | 入力 | 外部スタート信号 内部プルアップ |
| 26 | STP | 入力 | 強制停止信号 内部プルアップ |
| 27 | U/B | 入力 | 励磁方式設定(ユニポーラ/バイポーラ)内部プルアップ |
| 29 | F/H | 入力 | 励磁シーケンス設定(2−2相/1−2相)内部プルアップ |
| 30〜33 | φ1〜4 | 出力 | 1〜4相励磁信号出力 |
| 34 | OTS | 出力 | 汎用出力信号(レジスタへの書き込みでH/L) |
| 36 | CLK | 入力 | 基準クロック入力 |
| 37 | RST | 入力 | リセット信号入力 |
| 38 | INT | 出力 | 割り込み信号出力 内部プルアップオープンドレイン |
| 40 | CS | 入力 | チップセレクト信号 |
| 41,42 | A1,A0 | 入力 | アドレス信号 |
| 43 | WR | 入力 | 書き込み信号 |
| 44 | RD | 入力 | 読み出し信号 |
パルスコントロールLSI 4511のユーザーズマニュアルは、日本パルスモータ製のホームページからダウンロードすることができるので、詳しくはそちらを参照して下さい。
また、「初めてご検討、ご使用いただく方へ」と題された初心者向けの紹介マニュアルも準備されていますので、是非ご覧下さい。
14−3.ユニポーラステッピングモータドライバ SLA7024M
![]() |
写真はユニポーラ型のステッピングモータを駆動するためのICで、サンケン電気製SLA7024Mです。こちらも日本パルスモータさん経由で購入し、価格は1,200円でした。 モーター電源電圧46Vまで、出力電流は1.5Aまでです。 |
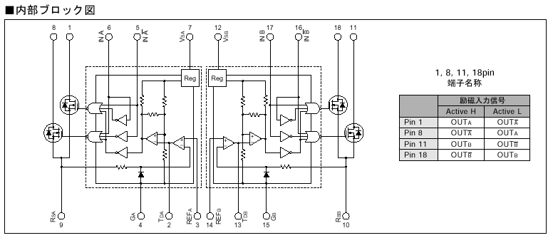
以下はマニュアルに記載されている内部ブロック図と、推奨の周辺回路です。(無断転載です...)


今回製作した基板は、上記の推奨定数と周辺回路図を元にしています。
このドライバICは定電流モータ用で、ステッピングモータの励磁コイルに流れる電流は、以下の計算式で求められます。(通常回転、フルパワーの場合)
Io ≒ r2/(r1+r2) x Vb/Rs
ステッピングモータのカタログなどに記載されている定電流モータのトルク対回転数グラフは、Ioが大きいほどトルクが大きくなる特性を示していますが、目標となるIoになるようにこれらの定数を設定します。 ただし、モータのワット数と相談してコイルが焼き切れないように注意が必要です。
以下は日本パルスモータ製のステッピングモータカタログからの抜粋で、特性グラフの例です。

特性グラフを元にしたモータの選定方法などについては、別の機会にご紹介することにしましょう。
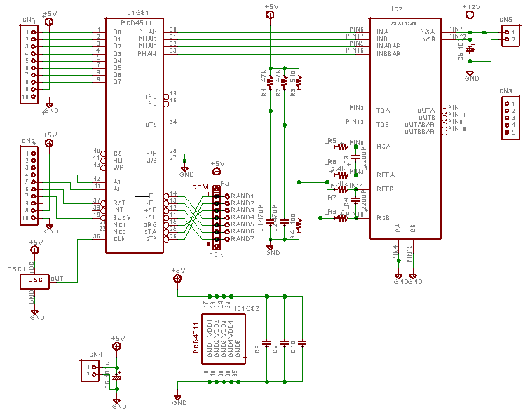
14−4.テスト基板の回路
以下に今回製作した基板の回路図をご紹介します。掲載している回路図は一部文字がつぶれたりして見づらい点があり、すみません。
■EAGLE用プロジェクトファイル
今回ご紹介しているテスト基板のEAGLE用プロジェクトファイル Pulse_Driver1を公開しています。
ここをクリックするとダウンロードできます。Pulse_Driver1.exe (224KB) ファイルは自己解凍形式になっていますので、エクスプローラ上からダブルクリックして、解凍したいフォルダを指定するだけでOKです。

回路は単純で、ほとんどがPCD4511のマニュアルに記載されている回路例に基づいています。また、SLA7024Mの周辺外付け抵抗やコンデンサ類も、推奨定数に従っています。以下に、簡単にご説明します。
1.外部CPUとの接続
図面左のコネクタCN1とCN2を外部CPUと接続します。マニュアルの接続例では、CPUのデータバスおよびアドレスバスに直結する事例となっていましたが、ここではCPUのPIOポートから制御することを前提としているため、双方向バスバッファや、アドレスデコーダ回路などを省略しています。バッファを設けていない分だけ、CPUとは最短で接続するように配慮が必要です。
2.OSC基準クロック
クロック周波数はPCD4511で推奨している4.915MHzを採用しています。
3.F/H、U/Bピンの設定
端子一覧でご紹介している通り、これらのピンをGNDに落とすことによって、ユニポーラ、2−2相励磁の動作に設定しています。
4.外部制御用端子をピンヘッダに立ち上げ
+EL,-EL,+SD,-SD,ORG,STA,STPなどの外部制御端子は、プルアップ抵抗を介してピンヘッダに立ち上げています。これらの端子は内部でプルアップされているため、外でプルアップ抵抗は必要なかったかもしれません。
5.電源コネクタ
図面左下CN4は制御用の+5V電源コネクタ、図面右上CN5はモータ駆動用の電源コネクタです。モータ駆動用電源は一応+12Vを想定していますが、最大で+46Vまで接続が可能です。
6.ステッピングモータ接続コネクタ
図面右のCN3が、ステッピングモータを接続するためのコネクタです。ステッピングモータ駆動用に電源を含めて5本の線が必要となっていますが、ユニポーラ型ステッピングモータの動作については、114.ステッピングモータを動かすのページもご参照下さい。
さて、今回のテスト基板はパルスコントロールLSI PCD4511の検証用と、実際にステッピングモータがどれだけの速度とトルクで動作するのかを見てみるために製作しました。実際の動かし方については、ソフトウエア編115.PCD4511でステッピングモータ制御のページでご紹介していますので、そちらもご覧下さい。
ステッピングモータについては全く予備知識も何もない状態からスタートしましたが、日本パルスモータさんから色々と教わりながら、モータの機種選定などを含めて何とか検討を進めている状態です。日本パルスモータさんは、個人相手に1個単位の発注からでも親身になって相談に乗ってくれて、大変助かっています。HPの「お問い合わせ」コーナーに書き込みをすると、次の日には電話が掛かってきて色々と答えてくれます。今まで幾つものメーカーに問い合わせや見積もり依頼などをしてきましたが、個人相手にここまで迅速に対応してくれるメーカーは稀です。 ステッピングモータで迷ったら、先ずは「お問い合わせ」コーナーに書き込みをして見ましょう。きっと糸口が掴めますよ。(^^