16.ALTERA CPLD 7032Sテストボード


2004/07/04 【電子回路編TOPに戻る】

今回は、ALTERA社CPLDEPM7032Sを使ったテストボードをご紹介します。テストボードというくらいなので、本当に基本的な配線しかしておらず、ハードウエア記述言語であるVHDLの学習用といったところです。

EPM7032Sは、ALTERA社MAX7000ファミリーの中のMAX7000Sシリーズで、5V電源で動作してJTAGによるオンボードプログラミングが可能なCPLDです。32という数字は内蔵されているマクロセル(Dフリップフロップ)の数を指し、7000Sシリーズの中には32から256まで6種類あります。このマクロセルの数が多いほど、複雑なプログラミングが可能になりますが、今回は一番小規模なものということになります。

ここではCPLDの内部構造等についての技術的な情報や解説は行いません。ここでは難しいことはさておき、先ずは勉強できて動かせる環境を整えるということを優先しましょう。デバイスのデータシートなど、詳細な技術情報はALTERA社のホームページからダウンロードできますので、そちらを参照してください。(手抜き...)

 


16−1.基板の外観

下の写真が今回製作したCPLDテストボードです。

中ほど正方形の大きめのデバイスがEPM7032Sです。44ピンPLCCパッケージで、半田付けタイプのソケットに実装しています。そのすぐ上の8ピンのICはクロック発信器で、16MHzのものを設定によって1MHzで出力させています。その左横緑のスイッチがリセットスイッチで、周りを取り囲んでいるのがJTAGやIOポート用のコネクタです。

半田面は人さまにお見せできるものではありませんが、とりあえずこんな感じです。PLCCソケットへの半田付けは結構面倒なもので、この規模でも嫌になります。これが例えばEPM7160Sになると84ピンのPLCCになったりするので、手半田するより基板パターンを起こしてしまった方が楽だと思えるほどです。(^^;;

ちなみに。PLCCソケットからデバイスを取り外すときには、右上写真のような専用の引き抜き工具が必要になります。ない場合には精密マイナスドライバのようなもので対角の隙間から慎重にこじ開けるしかありませんが、ソケットやデバイスを破損しやすいため、あまりお勧めできません。


16−2.EPM7032S概要

下の図はEPM7032S PLCCパッケージの外観とピン配列、そして、右側がその内部構造のブロック図です。

CPLDは限られたマクロセルの範囲内で内部のロジックを自由に構成できますので、ピン配列に記載のあるI/0ピンは、プログラム次第で入力、出力、もしくはトライステート(ハイインピーダンス付き)入出力端子として自由に機能を割り振ることができます。つまり「あなたの言いなり」といった感じですね。

また、同じくピン配列中の(TDI) (TMS) (TCK) (TDO)の4ピン分は、オンボードプログラミング時に通信端子として使われるJTAG用のピンになりますので、使用しないで空けておきましょう。

【先頭に戻る】


16−3.テストボードの回路図

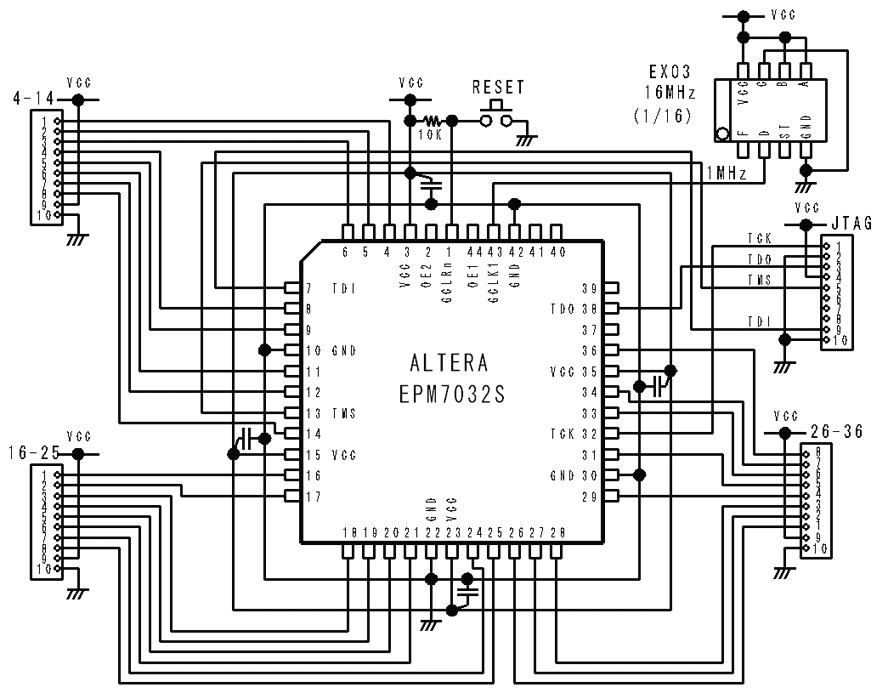
以下に回路図を示します。電源コネクタの表記は省略してしまいましたが、VCCは5Vです。

汎用のIO端子を4-14、16-25、26-36という名称のコネクタにそれぞれ8BITずつ、合計24BIT取り出しています。まだ若干IOポートが残っていますが、とりあえず余らせています。

その他としてJTAG用のコネクタを立ち上げている点と、1番ピンにリセットスイッチを付けている点、そして43番ピンに1MHzの外部クロックを与えている点だけで、他には特別なことはしていません。

ちなみに、PLCC44ピン半田付けタイプのソケットの実際のピン配列は左図のようになっています。これは裏面(半田面)から見たところです。最近は入手し辛くなっているのか、RSコンポーネンツの通販カタログなどにもラインナップされていませんでした。最近はやはり面実装のソケットが主流のようです...

【先頭に戻る】


さて、テストボードは作った!でもそれでけでは動かないのがCPLDの手ごわいところです。そう、このほかに以下の環境が必要なのです。

1.ダウンロードケーブル(ByteBlaster) 

2.VHDL等の統合プログラミング開発環境

ダウンロードケーブルは簡単に自作できます。17.ダウンロードケーブル ByteBlasterのページでご紹介していますのでご参照下さい。しかし、自作できるByteBlasterは、パラレルプリンタポート(Dsub25ピン)があるパソコンでないと繋げられません。最近の国内メーカのノートパソコンなどでは、パラレルプリンタポートが付いているほうが珍しいくらいです。そんな時にはUSB用のダウンロードケーブルなども売られているので、ALTERA社のホームページをご覧ください。

環境を整えるのにちょっと手間が掛かりますが、好きなロジック回路がプログラミングで作れてしまうという魅力は大きいと思いませんか?是非、この楽しい世界に足を踏み入れて見ましょう。(^o^

   【電子回路編TOPに戻る】


【表紙に戻る】