2001/10/30 , 2002/11/8追記 【電子回路編TOPに戻る】
何も取り立てて大げさにご紹介するようなものでもありませんが...。
AKI-H8小型マザーボードから、組み込み用のマイコンデータを外部と受け渡しする時には、基板用10ピンコネクタに統一するように決めました。10ピンにはデータ8ビットとDC+5VとGNDを入れ、ピン番号も統一します。ならば、これから作る色々な組み込み用マイコン基板の全てに共通して使えるI/Oボードが作れるはずだ、ということで作ってみました。
でも、簡易型です。大したものではありません。(^^; 目的は学習用、デバッグ用、ハードウエアチェック用といったところに絞ります。でも、作っておくと結構手軽で便利です。
8−1.基板外観
![]() |
実験用I/Oボードには、以下のブロックがあります。
それぞれのブロックの回路について、以下に簡単にご紹介します。
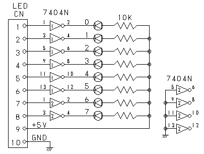
8ビット分のLEDを点灯させるためのブロックです。LEDの点灯にはNOTの標準ロジックICである7404をバッファとして利用しています。こうしておけば、直接LEDをドライブできないようなLSI(CPLDなど)にも接続することができます。
入力が1になると、7404の出力は0になり、LEDのカソード側が0Vになって点灯します。10Kの抵抗はちょっと大きめですが、7404Nの吸い込み電流約16mAから大分余裕をみています。利用するLEDによって最適な抵抗値は異なりますので注意して下さい。

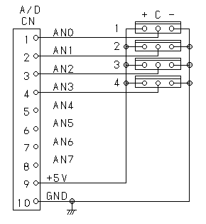
マイコンに対して8ビットのスイッチ情報を与えるブロックです。ここで10KΩの抵抗でプルアップしています。単純な回路なので、後は説明ありません...

外部のポテンショメータを4チャンネルまで接続するためのコネクタ変換をしています。ポテンショメータを接続すると端子Cの電圧は0V〜+5Vの間で変化しますので、それをマイコンのA/D入力に供給します。基準電圧は自由に設定できません。あくまで基準は+5V固定です。簡易型だし...。また8チャンネル分全部は接続していません。実験用だし...。

外部にラジコン用サーボモータを接続するためのコネクタ変換を行なっています。また、サーボの動力用に外部から+12Vを取り込むコネクタも付けました。
10ピンコネクタとの接続は単純に1から順に繋いでいますが、マイコン側のPWM出力端子と必ずしも一致するわけではないので注意して下さい。今回はH8用とかSH2用とか、相手を限定せずに汎用としたため、取り合えずこの接続としておきます。

LCD表示器SC1602BSLBを接続するための回路です。AKI-H8純正の開発キットと同じ配線です。H8-3048Fのポート3を使って、4ビットアクセスで表示制御を行います。

表示器を取り付けるとこんな感じになってしまいますが、テスト用だし良しとしましょう。

回路的には目新しいこともなく、非常に簡単です。でもひとつ作っておくと、ユニバーサル基板でボードを作った場合のハードウエアチェックや、マイコン周辺部のシミュレーションを行なうための冶具などとして利用できます。
修正履歴 2002.11.8 8.LCD表示器接続回路追加